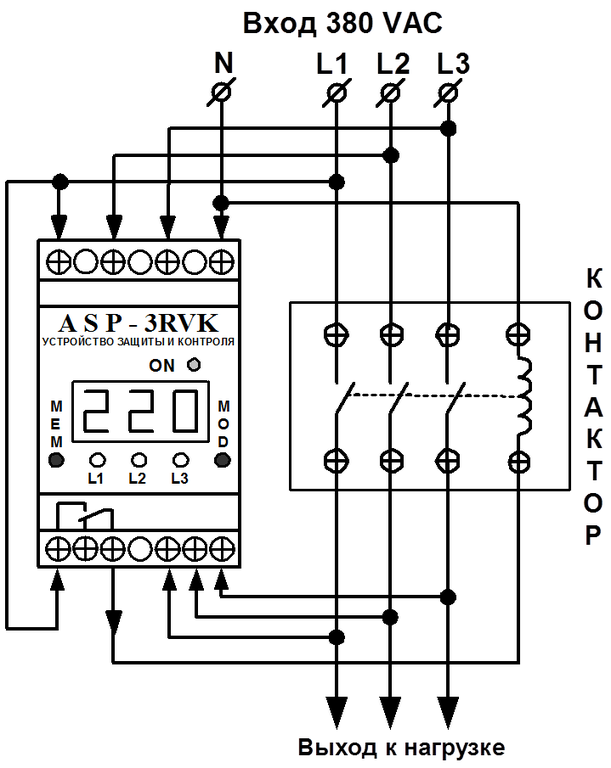
ASP-3RVK - реле напряжения

распродажа
Артикул: 34
ASP-3RVK - реле напряжения
Артикул: 34

Микропроцессорное устройство


  • контролирует обрыв любой из фаз, порядок чередования фаз, перекос фаз, состояние силовых контактов контактора
  • автоматическое включение после восстановления параметров электросети
  • встроенный трехфазный вольтметр, режим сканирования сети
  • запоминание аварийных значений напряжения по каждой фазе при отключении нагрузки до 99 значений
  • счётчик аварий
  • возможность программирования всех установок
  • перекидной контакт выходного реле может использоваться в различных схемах автоматики и сигнализации
  • размер три модуля

Микропроцессорное устройство


  • контролирует обрыв любой из фаз, порядок чередования фаз, перекос фаз, состояние силовых контактов контактора
  • автоматическое включение после восстановления параметров электросети
  • встроенный трехфазный вольтметр, режим сканирования сети
  • запоминание аварийных значений напряжения по каждой фазе при отключении нагрузки до 99 значений
  • счётчик аварий
  • возможность программирования всех установок
  • перекидной контакт выходного реле может использоваться в различных схемах автоматики и сигнализации
  • размер три модуля